Gearbox mounts supplier?

 

Photos of transmission rubber cover - http://www.singercars.com/4ax/4adpicts.html

 

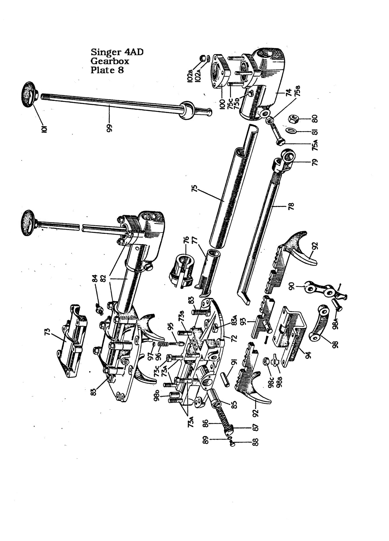
RUBBER COWL for Gearbox

https://www.amazon.com/SWIFT-RESPONSE-LFSBLKR32-Liquid-Black/dp/B01GFYA5IG/ref=pd_cp_60_2?_encoding=UTF8&psc=1&refRID=C7E8R2F44RHN2BWPTQ30 for liquid rubber to repair gearbox cowl using nylon mesh screening

 

https://www.lowes.com/pd/Flex-Seal-32-fl-oz-Black-Dip-Rubberized-Coating/1000097852 ***

 

http://www.homedepot.com/p/Rust-Oleum-Stops-Rust-30-oz-LeakSeal-Clear-Flexible-Rubber-Coating-Sealer-Case-of-2-275116/205176222

MISCELLANEOUS:


SEE the KIP Motor Company Orphan Catalog (.pdf version in Singer Rebuild folder)


FINLAND

Great site for car sold in Finland and subsequent restoration. Great photos: http://www.guru-group.fi/~kabu/

• side curtains

• carpets

• Tools

• Manufacturing plate

• Hood (later article on Fitting of the Hood)

• Chassis

• Brightwork (chrome)

• Electrical

• Wiper Motor

• Engine

• Front End Panels

• Fuel System

• Interior Details

• Primer Paint

• Radiator Frame (from SCRATCH!!)

• Seats

• Side Grilles

• Steering Wheel

• Wheels/Tyres

• Wheel nut fabrication

Next